• Pasarela KNX/DALI
  • Pasarela KNX/DALI

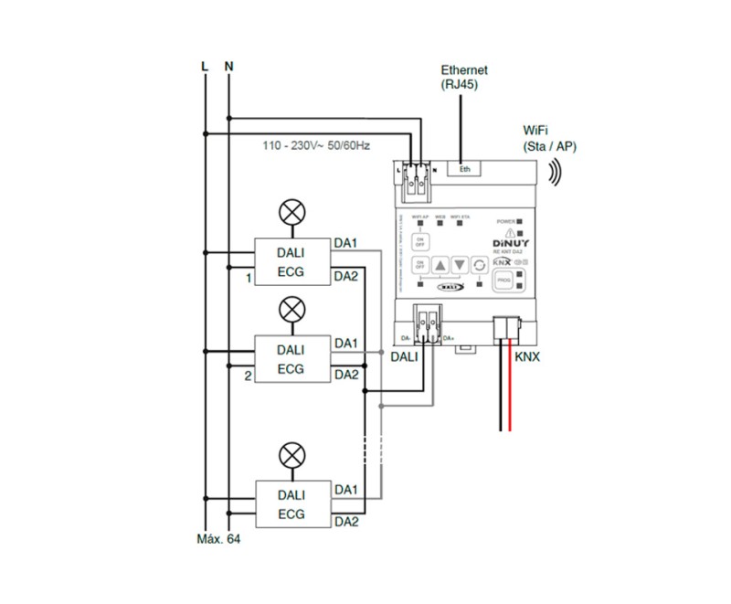
La pasarela KNX-DALI es un dispositivo certificado por DALI-2 que ofrece un canal de salida DALI direccionable, capaz de controlar hasta 64 ECGs (DALI o DALI-2) en 16 grupos.

La puesta en servicio DALI y las labores de mantenimiento se facilitan mediante un servidor web integrado en el módulo, accesible desde un PC o una tablet a través de Ethernet o WiFi.

Este módulo permite asignar un mismo ECG a más de un grupo DALI, proporcionando flexibilidad en la gestión de las luminarias.

 Diseñado para montaje sobre carril DIN (4 módulos), el módulo incluye bornas de presión 2 x 4mm2 para la alimentación de red y el conexionado DALI. Como dispositivo de control DALI Single-Master, está orientado a gestionar equipos de alimentación de luminarias DALI y cuenta con una fuente de alimentación DALI incorporada en el propio módulo. Además, dispone de un mecanismo de autoprotección ante cortocircuitos en el Bus DALI (shutdown mechanism) para mayor seguridad. Es necesario utilizar software ETS para la configuración KNX de la pasarela.

 

Este producto participa también en las siguientes categorías: